Le problème vient du contacteur au dessus de la pédale de freins. Capteur de pedale de frein a tester capteur de pedale de frein a tester.
Changer L Interrupteur Des Feux De Freins Citroen C2 Tutoriels Oscaro Com
Oui c sans doute le CONTACTEUR qui se trouve au dessus de ta pédale de frein.

Contacteur pedale de frein xsara picasso. Nous avons des Contacteur de pedale de frein adaptés à toutes les marques dautomobiles. Les prix les plus attractifs et la plus haute qualité des Contacteur de feux stop contacteur de stop pour CITROЁN XSARA PICASSO N68 pas cher online dans le boutique en ligne PiecesAutoStorefr. Sur notre boutique en ligne Piecesdiscount24fr vous trouverez Contacteur frein contacteur pedale frein pour CITROËN Xsara Picasso N68 1999 - 2001 à des prix abordables des fabricants divers ERA Facet FEBI Bilstein Topran VEMO.
Par hous_s_ le 21 décembre 2016 dans Xsara Picasso. Il ne tient pas dans la bague en plastique blanc il. Achetez Contacteur de frein contacteur de pedale de frein pour CITROËN XSARA en ligne à petit prix de ERA Facet FEBI Bilstein Topran VEMO et des autres Contacteur de pedale de frein pour XSARA CITROËN producteurs sur 24piecesautofr.
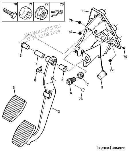
Interrupteur origine constructeur de marque Bitron référence 9643478880 situé derrière la pédale de frein démonté dune Citroën Xsara Picasso Collection de 2006 celle de la photo N 4 connecteur à 4 fiches. Acheter pas cher Contacteur de Feux Stop pour la CITROЁN Xsara Picasso N68. Linterrupteur contacteur de feu stop pour votre CITROEN XSARA ou contacteur de freins est un élément important du véhiculeIl se situe derrière la pédale de frein qui appuie sur son bouton poussoir.
Etant adhérent peut on avoir un documentation technique pour voir comment cest fais. Contacteur de feux stop pour CITROËN XSARA PICASSO N68 1999 de la divers fabricants de pieces de qualité. Sur la pedale de frein ou sur la boite de.
Je regarde un peu sur le forum on me parle dun fusible de contacteur de pédale de frein mais sur le mien model avec comm2000 je nai pas trouvé de fusible gérant cela ni dans le. Chez nous vous trouverez du Freinage de haute qualité et à un prix abordable et bien dautres pièces de rechange. Lorsque le conducteur freine il actionne par lintermédiaire du frein le bouton poussoir qui établit un contact entre deux voies.
Mais ce post concerne le Xsara Picasso de mon petit filsdans la famille tout le mode mamène sa voiture pour les réparer ou bien les faire réparer quand quelque chose ne va pas et je finis par my perdre un peu. Contacteur feux de recul sur xsara picasso hdi 110 an 2004. Achetez des Contacteur de feux stop pas chers pour CITROËN Xsara Picasso N68 20 HDi RHY DW10TD 90 CH année 1999 Dans notre boutique en ligne vous pouvez vous procurer à prix bas larbre de Contacteur de pedale de frein.
Contacteur de feux stop pour CITROЁN Xsara Picasso N68 2001 au prix avantageux vous pouvez trouver dans notre boutique en ligne Nous offrons un vaste assortiment de toutes sortes Contacteur de pedale de frein Citroen Xsara Picasso daccessoires et de pièces détachées automobiles de qualité OEM. Interrupteur contacteur des feux stop frein pour CITROEN XSARA. Interrupteur contacteur des feux stop frein pour CITROEN.
Notre boutique en ligne vous offre des CITROËN Xsara Picasso N68 Contacteur de feux stop contacteur de stop ainsi quun choix immense des pièces détachées de Freins de marques réputées. Linterrupteur contacteur de feu stop pour votre CITROEN ou contacteur de freins est un élément important du véhiculeIl se situe derrière la pédale de frein qui appuie sur son bouton poussoir. Oscarobe - contacteur de pédale de frein au meilleur prix neuf et dorigine.
Commandez Contacteur dembrayage pour CITROЁN Xsara Picasso N68 20HDi 90 CH facilement sur AUTODOC Livraison rapide à un prix avantageux Découvrez tout de suite par vous-même. Énorme sélection de marques à petit prix Contacteur de pedale de frein Citroen Xsara Picasso. Sur piecesautofr vous trouverez les Contacteur de pedale de frein de qualité haute pour les Citroen Xsara Picasso et dautres modèle.
Bonjour Je souhaite changer mon contacteur STOP en dessous de la pédale de freins à cause de message ESPABS defaillant. Car jai regarder vite fais ça à lair pas facile daccès Merci. Contacteur démarreur CITROËN XSARA PICASSO N68 1 million de pièces en stock Retour facile 30 jours et paiement sécurisé Filiale du groupe PSA Nous utilisons des cookies pour optimiser le fonctionnement de notre site adapter les contenus proposés et vous adresser des conseils et communications personnalisés.
Toutes les plus grandes marques pour CITROËN - Paiement sécurisé - Livraison en relais ou à domicile. Contacteur de feux stop pour CITROËN XSARA PICASSO N68 20 HDi RHYDW10TD 1999 90 CH à petit prix sur Piecesdiscount24fr du meilleur fabricants.

Je N Ai Plus De Feux Stop Xsara Citroen Forum Marques Automobile Forum Auto

Pedale De Frein Pedalier Contacteur Stop Citroen Xsara Picasso Berline Familiale 1 8 I 16v 117
Auto Pieces Detachees Contacteur De Frein Pour Citroen Xsara Picasso Auto Moto Pieces Accessoires Getriebe Nrw
Changer L Interrupteur Des Feux De Freins Citroen C2 Tutoriels Oscaro Com

Acheter Contacteur De Pedale De Frein Contacteur De Frein Pour Citroen Xsara Dans La Boutique En Ligne
Contacteur De Frein Pour Citroen Xsara Picasso N68 1 6 Hdi 66 Kw 90 Ch Diesel

Achetez Contacteur De Pedale De Frein Contacteur De Frein Pour Citroyon Xsara Picasso N68 Dans La Boutique En Ligne

Auto Pieces Detachees Contacteur De Frein Pour Citroen Xsara Picasso Auto Moto Pieces Accessoires Getriebe Nrw

Dysfonctionnement Des 3 Feux Stop Xsara Picasso Citroen Forum Marques Automobile Forum Auto
ads
Potager City
Search This Blog
Blog Archive
- janvier 2023 (4)
- juin 2022 (1)
- mai 2022 (26)
- avril 2022 (22)
- mars 2022 (22)
- février 2022 (21)
- janvier 2022 (21)
- décembre 2021 (26)
- novembre 2021 (25)
- octobre 2021 (28)
- septembre 2021 (30)
- août 2021 (31)
- juillet 2021 (31)
- juin 2021 (29)
- mai 2021 (32)
- avril 2021 (41)
- mars 2021 (32)
- février 2021 (27)
- janvier 2021 (32)
- décembre 2020 (30)
- novembre 2020 (30)
- octobre 2020 (31)
- septembre 2020 (31)
- août 2020 (31)
- juillet 2020 (30)
- juin 2020 (31)
- mai 2020 (30)
- avril 2020 (30)
- mars 2020 (6)
Labels
- 100gr
- 18ème
- 19eme
- 2471a
- abimer
- abonné
- accent
- accessoire
- accident
- achat
- acromégalie
- action
- activer
- adoucisseur
- advienne
- adwcleaner
- affiche
- africain
- agneaux
- aisselles
- ajouter
- alain
- alaise
- algerien
- alignés
- allah
- allen
- allumer
- amasse
- amour
- amoureuse
- amoureux
- amovible
- anciennes
- angel
- anglais
- angle
- angleterre
- animaux
- animé
- année
- anniversaire
- annuel
- antique
- appareil
- apprendre
- après
- arabe
- aranda
- arbre
- ardent
- arriere
- arrive
- arrivée
- attacher
- audacity
- augmenter
- auteur
- authentification
- automatique
- autre
- available
- avant
- avantages
- avast
- avoir
- avons
- azertyuiopqsdfghjklmwxcvbn
- baignoire
- ballroom
- banque
- barre
- barré
- barrer
- baseball
- basket
- baton
- batterie
- beaux
- becaille
- belle
- belles
- berger
- bernois
- bétadine
- bicarbonate
- bing
- bisou
- bisous
- blade
- blanc
- bleue
- blinis
- bloqué
- bloquée
- boeuf
- boire
- boisson
- boite
- bombe
- bonhomme
- bonnes
- bouchée
- boucle
- bouclier
- bougainvillier
- bouteille
- bouton
- bouturer
- branchement
- brancher
- briquet
- bruce
- brugnon
- bruit
- bruler
- bruleur
- buddy
- buffala
- bulldog
- bultex
- cacahuete
- cacao
- cacher
- cadenas
- caisse
- calage
- calcul
- calculatrice
- calculer
- calories
- camera
- canard
- capot
- capture
- carrosserie
- carte
- casse
- casser
- castorama
- celsius
- centiemes
- cercle
- cercueil
- chaine
- chambre
- changé
- changement
- changer
- chanson
- chanteuse
- chantilly
- charles
- charlotte
- chasseur
- chaton
- chaudiere
- chauffage
- cheat
- cheval
- cheveux
- chevilles
- chewing
- chimera
- chiot
- chocolat
- chords
- christina
- chuck
- cidre
- cigarette
- clair
- claire
- clarion
- classe
- clavier
- cleanin
- climatisation
- clique
- clochard
- clock
- cloison
- closet
- cochon
- cocotte
- coeur
- colis
- colle
- combien
- comment
- commerce
- communauté
- compas
- compétence
- complet
- comporter
- composé
- compote
- compteur
- concasseur
- conclure
- condamnée
- condensateur
- congelée
- congeler
- connaissez
- connexion
- conservation
- conserver
- constipation
- contacteur
- containing
- conversion
- convertir
- copeaux
- copier
- copine
- coquillage
- coquilles
- coquillette
- coton
- couille
- couine
- coulé
- couleur
- coupe
- couper
- coups
- courgettes
- courrier
- courtes
- couscous
- crapette
- creme
- crème
- creuse
- crois
- croisé
- croisement
- croissant
- croix
- croque
- croques
- cueillir
- cuire
- cuisines
- cuisson
- cuits
- cumulé
- dabord
- dacia
- dance
- dangereux
- danielle
- dauphinois
- debloque
- débloquer
- déchappement
- declenche
- decodeur
- décortiquer
- defaillance
- déflouter
- degré
- degrés
- degripper
- delivery
- déloger
- delta
- demarrage
- demeler
- demie
- dents
- dépargne
- dépassée
- depression
- depuis
- desmume
- dessin
- dessus
- destin
- deviens
- devisser
- diaporama
- dickens
- diesel
- difference
- différence
- diffu
- dimanche
- dimensions
- dinde
- dinfirmière
- dinterrogation
- direct
- disparue
- dissolution
- distribution
- dolivier
- domino
- donner
- dordinateur
- dormir
- doser
- drapeaux
- droit
- durand
- durée
- eastpak
- eclaircir
- école
- écouteurs
- ecran
- écrire
- ecriture
- effet
- effets
- efficience
- egale
- egyptiens
- electrique
- electronique
- elimination
- eliminatoire
- éliminatoire
- embrasser
- emmener
- enceinte
- encyclopédie
- endosser
- enfant
- enlever
- enseignées
- entre
- envie
- éosine
- episode
- epson
- equivalence
- equivalent
- escalier
- escargots
- espagne
- essayé
- essence
- estime
- etats
- évadés
- excelsi
- exciter
- executer
- explication
- explique
- exposant
- expression
- externe
- extraire
- fabriquer
- facile
- facilement
- facteur
- fahrenheit
- faible
- faibles
- failed
- faire
- fairy
- fallout
- famille
- familles
- fantasy
- faute
- femelle
- femme
- femmes
- fermé
- fêtes
- feuille
- feuilles
- ffmpeg
- fiche
- fichier
- field
- figuier
- filer
- filetage
- fille
- filtre
- final
- firefox
- fixation
- fixer
- fléché
- fleur
- flottant
- flurry
- focus
- fonctionne
- fonctions
- fondue
- fontaine
- format
- formation
- formule
- foyer
- fraiche
- fraiches
- frais
- francais
- français
- france
- freebox
- frein
- french
- frères
- friche
- frigo
- friture
- froid
- front
- fruit
- garde
- gasoil
- gelatine
- générale
- généraliste
- geometrie
- germées
- gisement
- gitan
- glace
- gland
- goudron
- grammes
- grappe
- gratte
- gratuit
- gratuits
- grave
- grossir
- guidon
- guitare
- habitants
- haché
- hall
- hamachi
- hamdoulilah
- hanoi
- harvey
- heart
- henné
- heure
- hommes
- honneur
- housewives
- huile
- huitres
- hunter
- ilaha
- image
- imaginaire
- imposable
- impossible
- impression
- imprimante
- impulsion
- inconvénients
- indentation
- inexistant
- injection
- intel
- intercités
- international
- internet
- iranienne
- jacques
- jaime
- jalousie
- jaloux
- jamais
- jambon
- japonnais
- jardin
- jarretelle
- jaune
- jellal
- jeter
- joint
- jours
- kaizoku
- kangourou
- karma
- kiffe
- kilometres
- kimimaro
- kiwis
- kouya
- lache
- laguna
- lalphabet
- lamaryllis
- lammoniac
- laneth
- lannée
- lapin
- largent
- larme
- latex
- latin
- laver
- league
- leave
- legumes
- lélastique
- lentends
- lenvers
- leroy
- lessorage
- lettre
- lhymne
- libre
- linge
- liquide
- litchi
- litre
- litres
- littéraire
- littérature
- livre
- loeuf
- logiciel
- longueur
- lorigine
- louise
- louisiane
- love
- luciferi
- lumière
- maché
- machine
- mains
- maison
- major
- majuscule
- maladie
- mandarine
- mandat
- mangé
- manger
- mappel
- mappelle
- marche
- mariage
- marion
- marshmallon
- maryse
- masaccio
- masculin
- masqué
- mauvaise
- médecin
- medias
- mentalist
- merlin
- message
- metal
- methode
- mettre
- meuble
- micro
- microsoft
- minute
- minutes
- mohamed
- moitié
- molaire
- mondiale
- money
- montent
- montrer
- moquette
- mortel
- moteur
- mourir
- mousse
- moyenne
- mozzarella
- multiplication
- murir
- music
- musique
- musulman
- nacre
- naime
- nains
- narcissique
- naruto
- nationale
- natsu
- naturellement
- négre
- nettoyer
- niche
- nicolas
- nimes
- nobles
- noeud
- noirci
- nombre
- nomine
- norauto
- nosotros
- notepad
- notice
- noyaux
- number
- numero
- numéro
- odeur
- office
- oignons
- olère
- ondes
- online
- orange
- ordinateur
- ordonnance
- ordre
- orewa
- origine
- otite
- oublier
- outils
- ouvert
- ouvrir
- pacha
- paella
- pages
- paille
- palombe
- pantalon
- papier
- paradise
- parallelisme
- parfait
- parole
- paroles
- parquet
- parti
- partie
- passe
- passé
- pasta
- patates
- patisserie
- pattes
- peindre
- peint
- peler
- penses
- percer
- permanent
- permis
- personne
- personnes
- pervers
- peters
- petit
- petite
- photinia
- photo
- photos
- photoshop
- physique
- picasso
- pieds
- pierre
- pigeon
- pilotes
- pivoter
- pizza
- placo
- plait
- planche
- plantaire
- planter
- plaque
- plateau
- plein
- pluie
- pluriel
- poele
- poème
- poésie
- poids
- point
- points
- poivrons
- pokemon
- polaire
- pomme
- pondus
- poquelin
- portable
- porte
- portugais
- postale
- potable
- potimarron
- pouce
- pouces
- poudre
- poule
- poulet
- pounds
- pourcentage
- pourquoi
- poussé
- poussette
- poussin
- pouvoir
- power
- powerpoint
- premier
- presque
- presse
- pression
- prioritaire
- privatif
- problématique
- probleme
- processeur
- produit
- professeur
- profil
- profit
- programme
- prouver
- puttanesca
- quadrilatère
- qualité
- quand
- quatre
- quelle
- quelqu
- quest
- quick
- quiz
- racine
- radiateur
- radio
- radioactivité
- raisin
- raisons
- ramasser
- rapport
- rassurer
- ravioli
- rayure
- recette
- rechauffer
- réchauffer
- recherche
- réconfort
- recongeler
- reconnaitre
- rectangle
- refroidissement
- refuser
- regarde
- regarder
- réglementation
- regles
- reine
- remettre
- rémond
- remonter
- remplacer
- remplir
- remplit
- rendez
- rendre
- renouvellement
- reparer
- répondre
- réponse
- réponses
- reporté
- république
- restaurer
- restreint
- résumé
- retrouver
- rever
- revolution
- rideaux
- rogue
- roissy
- rouge
- roulee
- russel
- sagesse
- saillie
- salades
- samsung
- sandero
- sappellent
- sarrete
- sauge
- saute
- savoir
- scène
- score
- scotch
- script
- seconde
- secondes
- secteur
- seigneur
- serais
- serial
- serie
- série
- seules
- shades
- sheitan
- shift
- shippuden
- siècle
- sifflement
- signal
- signe
- signification
- silence
- silvercrest
- simili
- simple
- simpson
- simulator
- singe
- sisyphe
- skuldafn
- skyrim
- smecta
- soccuper
- sociale
- sodium
- soirée
- sommes
- sortir
- souris
- speed
- sport
- spyro
- staff
- stage
- stilnox
- straming
- stranger
- stylo
- sucre
- sucrée
- suisse
- suivre
- super
- supprimer
- surinam
- surnom
- suspente
- suzumiya
- sweet
- symbole
- symptome
- system
- tarot
- technique
- tekken
- téléchargement
- telecharger
- télécharger
- telecom
- telecommande
- temoin
- temperature
- temps
- terre
- terrier
- tester
- texte
- thailande
- thalès
- théorème
- thermomix
- tiers
- tilleul
- tomate
- tomates
- tombé
- tombent
- tonnies
- torrent
- toujours
- toutes
- toxique
- tracks
- traduction
- traiter
- transformation
- travailler
- travel
- triangle
- trilogie
- trinité
- twingo
- tyson
- universe
- update
- vendredi
- vends
- venus
- verre
- verres
- versa
- verte
- vêtement
- victor
- vidange
- videos
- vient
- vignette
- villeret
- vingtaine
- virtual
- virus
- voglia
- voiture
- voltaire
- vomitoire
- vostfr
- voyant
- vraie
- warband
- windows
- youtube
- yvain
-
The entire lot knew her. In Nothing Gold Can Stay Vega is shot by one of the suspects Steve Sellers. Danielle Aranda Death Page 7 Line 17q...
-
En fonction de la gravité des symptômes le chat arrivera peut-être jusquà la litière et vous ne vous rendrez compte du problème que lorsque ...
-
Linstitution qui exerce le pouvoir législatif sous la V. Les questions à réponses courtes peuvent être dans des sous-catégories. Banque De...